5 tonų gervė
Gervės profilis

Hidraulinė gervė yra gervės įtaisas, kuris galiai tiekti naudoja hidraulinę sistemą. Paprastai jį sudaro hidraulinis variklis, hidraulinis siurblys, valdymo vožtuvas, gervės būgnas ir kt. Hidraulinės gervės gali būti naudojamos kėlimo, vilkimo ir tempimo srityse ir yra plačiai naudojamos inžinerijos, statybos, navigacijos, žemės ūkio ir kasybos srityse. Hidraulinė gervė yra varoma hidraulinės sistemos, o jos privalumai yra didelė laikomoji galia, reguliuojamas greitis ir grįžtamumas, lankstus valdymas, saugumas ir patikimumas, stabili apkrova ir didelis patvarumas. Dėl to jis plačiai naudojamas kėlimo, traukimo ir tempimo srityse, kur reikalinga didelė galia, efektyvumas ir patikimumas.
Gervės rodymas




Gervės techniniai duomenys

|
Modelis |
YS-5 |
YS-7 |
YS-10 |
|
|
Srauto įvertinimas |
L/min |
144 |
159 |
250 |
|
Slėgio įvertinimas |
Mpa |
20 |
20 |
25 |
|
Maks.Trauk |
kN |
50 |
70 |
100 |
|
Maksimalus linijos greitis |
m/min |
25 |
20 |
23 |
|
Virvių saugykla |
m |
50 |
50 |
50 |
|
Grynas svoris |
kilogramas |
240 |
275 |
420 |
|
Vielinio lyno skersmuo |
Mm |
17 |
21 |
23 |
|
Hidraulinis variklis |
CC/R |
289 |
397 |
350 |
|
Naudota |
Nešti ir kelti sunkius krovinius |
|||
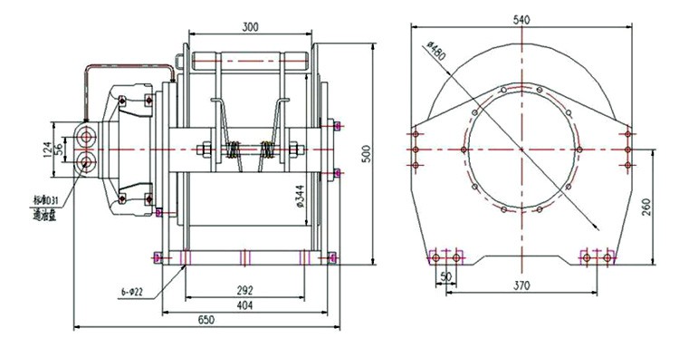
Produkto projektas


Produkto pakavimas

Įmonės pristatymas



Populiarus Žymos: 5 tonų gervė, Kinija 5 tonų gervės gamintojai, tiekėjai, gamykla
Pora
6 tonų gervėKitas
4 tonų gervėTau taip pat gali patikti
Siųsti užklausą













